pwm逆變電路,pwm逆變器工作原理詳解-KIA MOS管
信息來源:本站 日期:2025-12-11
PWM逆變電路的原理是通過控制功率開關器件(如MOSFET或IGBT)的通斷時序,生成寬度可變的等幅脈沖序列,從而將直流電(DC)高效地轉換為可調電壓和頻率的交流電(AC)。
pwm逆變器工作原理
PWM逆變器
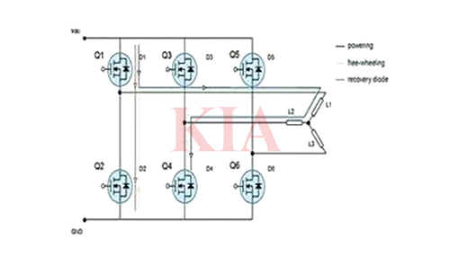
標準的三相功率級被用來驅動一個三相無刷直流電機,如圖1所示。功率級產生一個電場,為了使電機很好地工作,這個電場必須保持與轉子磁場之間的角度接近90°。六步序列控制產生6個定子磁場向量,這些向量必須在一個指定的轉子位置下改變?;魻栃獋鞲衅鲯呙柁D子的位置。為了向轉子提供6個步進電流,功率級利用6個可以按不同的特定序列切換的功率MOSFET。下面解釋一個常用的切換模式,可提供6個步進電流。
MOSFET Q1、Q3和Q5高頻(HF)切換,Q2、Q4和Q6低頻(LF)切換。當一個低頻MOSFET處于開狀態,而且一個高頻MOSFET 處于切換狀態時,就會產生一個功率級。
步驟1) 功率級同時給兩個相位供電,而對第三個相位未供電。假設供電相位為L1、L2,L3未供電。在這種情況下,MOSFET Q1和Q2處于導通狀態,電流流經Q1、L1、L2和Q4。
步驟2)MOSFET Q1關斷。因為電感不能突然中斷電流,它會產生額外電壓,直到體二極管D2被直接偏置,并允許續流電流流過。續流電流的路徑為D2、L1、L2和Q4。
步驟3)Q1打開,體二極管D2突然反偏置。Q1上總的電流為供電電流(如步驟1)與二極管D2上的恢復電流之和。
顯示出其中的體-漏二極管。在步驟2,電流流入到體-漏二極管D2(見圖1),該二極管被正向偏置,少數載流子注入到二極管的區和P區。
當MOSFET Q1導通時,二極管D2被反向偏置, N區的少數載流子進入P+體區,反之亦然。這種快速轉移導致大量的電流流經二極管,從N-epi到P+區,即從漏極到源極。電感L1對于流經Q2和Q1的尖峰電流表現出高阻抗。Q1表現出額外的電流尖峰,增加了在導通期間的開關損耗。
為改善在這些特殊應用中體二極管的性能,研發人員開發出具有快速體二極管恢復特性MOSFET。當二極管導通后被反向偏置,反向恢復峰值電流Irrm較小。
結合一種簡單的逆變器電路圖分析PWM逆變器電路的工作原理
電阻R2和電容C1套集成電路內部振蕩器的頻率。預設R1可用于振蕩器的頻率進行微調。14腳和11腳IC內部驅動晶體管的發射極終端。的驅動晶體管(引腳13和12)的集電極終端連接在一起,并連接到8 V軌(7808輸出)??稍贗C的引腳14和15兩個180度,淘汰50赫茲脈沖列車。
這些信號驅動器在隨后的晶體管階段。當14腳的信號為高電平,晶體管Q2接通,就這反過來又使晶體管Q4,Q5,Q6點從目前的+12 V電源(電池)連接流一個通過的上半部分(與標簽的標記)變壓器(T1)中,小學通過晶體管Q4,Q5和Q6匯到地面。
因此誘導變壓器二次電壓(由于電磁感應),這個電壓220V輸出波形的上半周期。在此期間,11腳低,其成功的階段將處于非活動狀態。當IC引腳11云高的第三季度結果Q7的獲取和交換,Q8和Q9將被打開。從+12 V電源通過變壓器的初級下半部和匯到地面通過晶體管的Q7,Q8,Q9,以及由此產生的電壓,在T2次級誘導有助于的下半部周期(標簽上標明)電流流220V輸出波形。
逆變器輸出(T2的輸出)挖掘點的標記為B,C,并提供給變壓器T2的主。在變壓器T2的下降這個高電壓的步驟,橋梁D5整流它和這個電壓(將逆變器的輸出電壓成正比)是提供的PIN1通過R8,R9,R16和(該IC的內部錯誤放大器的反相輸入)這個電壓與內部參考電壓比較。
此誤差電壓成正比的輸出電壓所需的值和IC調節占空比的驅動信號(引腳14和12)為了使輸出電壓為所需的值的變化。R9的預設,可用于調節逆變器輸出電壓,因為它直接控制變頻器的輸出電壓誤差放大器部分的反饋量。
二極管D3和D4續流二極管,保護驅動級晶體管的開關變壓器(T2)初選時產生的電壓尖峰。R14和R15限制基地的第四季度和Q7。R12和R13為第四季度和Q7防止意外的開關ON下拉電阻。C10和C11是繞過從變頻器的輸出噪聲。C8是一個濾波電容的穩壓IC 7805。R11的限制限制了電流通過LED指示燈D2的。
聯系方式:鄒先生
座機:0755-83888366-8022
手機:18123972950(微信同號)
QQ:2880195519
聯系地址:深圳市龍華區英泰科匯廣場2棟1902
搜索微信公眾號:“KIA半導體”或掃碼關注官方微信公眾號
關注官方微信公眾號:提供 MOS管 技術支持
免責聲明:網站部分圖文來源其它出處,如有侵權請聯系刪除。
