電機正反轉控制接線圖,接線方法分享-KIA MOS管
信息來源:本站 日期:2025-12-18
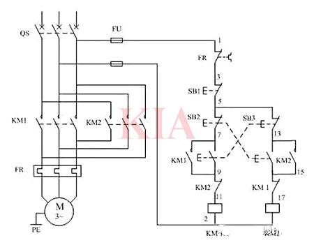
電動機正反轉控制是通過改變電源相序實現轉向,需采用雙重互鎖電路防止短路。
接線方法:
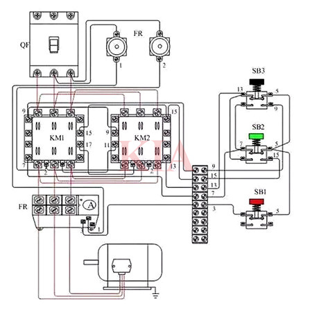
主電路接線
1.電源接入:斷路器出線端接熔斷器,熔斷器輸出端分兩路:一路接接觸器KM1主觸點進線端(L1、L2、L3)。另一路接接觸器KM2主觸點進線端,并將KM2的L1與L3相序調換。
2.電機連接:KM1和KM2出線端并聯后接熱繼電器,再連接電動機。
控制電路接線
1.互鎖設計:接觸器互鎖:KM1線圈回路串聯KM2常閉輔助觸點,KM2線圈回路串聯KM1常閉輔助觸點。按鈕互鎖:正轉按鈕SB2的常閉觸點串入KM2線圈回路,反轉按鈕SB3的常閉觸點串入KM1線圈回路。
2.自鎖與啟動:SB2常開觸點與KM1常開輔助觸點并聯,SB3常開觸點與KM2常開輔助觸點并聯。停止按鈕SB1串聯在控制回路總線上。
使電動機正轉和反轉,可采用兩只接觸器KM1、KM2換接電動機三相電源的相序,但兩個接觸器不能吸合,如果同時吸合將造成電源的短路事故,為防止事故,在電路中應采取可靠的互鎖,圖為采用按鈕和接觸器雙重互鎖的電動機正、反兩方向運行的控制電路。
檢查主回路路的接線是否正確,為了保證兩個接觸器動作時能夠可靠調換電動機的相序,接線時應使接觸器的上口接線保持一致,在接觸器的下口調相。
檢查接線無誤后,通電試驗,通電試驗時為防止意外,應先將電動機的接線斷開。
雙互鎖控制電機正反轉接線圖
聯系方式:鄒先生
座機:0755-83888366-8022
手機:18123972950(微信同號)
QQ:2880195519
聯系地址:深圳市龍華區英泰科匯廣場2棟1902
搜索微信公眾號:“KIA半導體”或掃碼關注官方微信公眾號
關注官方微信公眾號:提供 MOS管 技術支持
免責聲明:網站部分圖文來源其它出處,如有侵權請聯系刪除。
