場效應管工作原路圖-如何選用晶體三極管與場效應管的技巧-KIA MOS管
信息來源:本站 日期:2018-06-05
MOS場效應管也被稱為MOSFET,既MetalOxideSemiconductorFieldEffectTransistor(金屬氧化物半導體場效應管)的縮寫。它一般有耗盡型和增強型兩種。

本文使用的為增強型MOS場效應管,其內部結構見圖5。它可分為NPN型PNP型。NPN型通常稱為N溝道型,PNP型也叫P溝道型。由圖可看出,對于N溝道的場效應管其源極和漏極接在N型半導體上,同樣對于P溝道的場效應管其源極和漏極則接在P型半導體上。我們知道一般三極管是由輸入的電流控制輸出的電流。但對于場效應管,其輸出電流是由輸入的電壓(或稱電場)控制,可以認為輸入電流極小或沒有輸入電流,這使得該器件有很高的輸入阻抗,同時這也是我們稱之為場效應管的原因。
場效應管的工作原理,我們先了解一下僅含有一個P—N結的二極管的工作過程。場效應管工作原理圖如圖6所示,我們知道在二極管加上正向電壓(P端接正極,N端接負極)時,二極管導通,其PN結有電流通過。這是因為在P型半導體端為正電壓時,N型半導體內的負電子被吸引而涌向加有正電壓的P型半導體端,而P型半導體端內的正電子則朝N型半導體端運動,從而形成導通電流。同理,當二極管加上反向電壓(P端接負極,N端接正極)時,這時在P型半導體端為負電壓,正電子被聚集在P型半導體端,負電子則聚集在N型半導體端,電子不移動,其PN結沒有電流通過,二極管截止。
對于場效應管(見圖7),在柵極沒有電壓時,由前面分析可知,在源極與漏極之間不會有電流流過,此時場效應管處與截止狀態(圖7a)。當有一個正電壓加在N溝道的MOS場效應管柵極上時,由于電場的作用,此時N型半導體的源極和漏極的負電子被吸引出來而涌向柵極,但由于氧化膜的阻擋,使得電子聚集在兩個N溝道之間的P型半導體中(見圖7b),從而形成電流,使源極和漏極之間導通。我們也可以想像為兩個N型半導體之間為一條溝,柵極電壓的建立相當于為它們之間搭了一座橋梁,該橋的大小由柵壓的大小決定。圖8給出了P溝道的MOS場效應管的工作過程,其工作原理類似這里不再重復。
下面簡述一下用C-MOS場效應管(增強型MOS場效應管)組成的應用電路的工作過程(見圖9)。電路將一個增強型P溝道MOS場效應管和一個增強型N溝道MOS場效應管組合在一起使用。當輸入端為低電平時,P溝道MOS場效應管導通,輸出端與電源正極接通。當輸入端為高電平時,N溝道MOS場效應管導通,輸出端與電源地接通。在該電路中,P溝道MOS場效應管和N溝道MOS場效應管總是在相反的狀態下工作,其相位輸入端和輸出端相反。通過這種工作方式我們可以獲得較大的電流輸出。同時由于漏電流的影響,使得柵壓在還沒有到0V,通常在柵極電壓小于1到2V時,MOS場效應管既被關斷。場效應管工作原理圖,不同場效應管其關斷電壓略有不同。也正因為如此,使得該電路不會因為兩管同時導通而造成電源短路。
由以上分析我們可以畫出原理圖中MOS場效應管電路部分的工作過程(見圖10)。工作原理同前所述。
場效應晶體管(FieldEffectTransistor縮寫(FET))簡稱場效應管。一般的晶體管是由兩種極性的載流子,即多數載流子和反極性的少數載流子參與導電,因此稱為雙極型晶體管,而FET僅是由多數載流子參與導電,它與雙極型相反,也稱為單極型晶體管。它屬于電壓控制型半導體器件,具有輸入電阻高(108~109Ω)、噪聲小、功耗低、動態范圍大、易于集成、沒有二次擊穿現象、安全工作區域寬等優點,現已成為雙極型晶體管和功率晶體管的強大競爭者。
場效應管分結型、絕緣柵型兩大類。結型場效應管(JFET)因有兩個PN結而得名,絕緣柵型場效應管(JGFET)則因柵極與其它電極完全絕緣而得名。目前在絕緣柵型場效應管中,應用最為廣泛的是MOS場效應管,簡稱MOS管(即金屬-氧化物-半導體場效應管MOSFET);此外還有PMOS、NMOS和VMOS功率場效應管,以及最近剛問世的πMOS場效應管、VMOS功率模塊等。



按溝道半導體材料的不同,結型和絕緣柵型各分溝道和P溝道兩種。若按導電方式來劃分,場效應管又可分成耗盡型與增強型。結型場效應管均為耗盡型,絕緣柵型場效應管既有耗盡型的,也有增強型的。
場效應晶體管可分為結場效應晶體管和MOS場效應晶體管。而MOS場效應晶體管又分為N溝耗盡型和增強型;P溝耗盡型和增強型四大類。見下圖。
現行有兩種命名方法。第一種命名方法與雙極型三極管相同,第三位字母J代表結型場效應管,O代表絕緣柵場效應管。第二位字母代表材料,D是P型硅,反型層是N溝道;C是N型硅P溝道。例如,3DJ6D是結型N溝道場效應三極管,3DO6C是絕緣柵型N溝道場效應三極管。
第二種命名方法是CS××#,CS代表場效應管,××以數字代表型號的序號,#用字母代表同一型號中的不同規格。例如CS14A、CS45G等。
場效應管的參數很多,包括直流參數、交流參數和極限參數,但一般使用時關注
以下主要參數:.
1、I DSS-飽和漏近電流。是指結型或耗盡型絕緣柵場效應管中,柵極電壓U GS=O時的漏源電流。.
2、UP一夾斷電壓。是指結型或耗盡型絕緣柵場效應管中,使漏源間剛截止時的柵極電壓。.
3、UT一開啟電壓。是指增強型絕緣柵場效管中,使漏源間剛導通時的柵極電 壓。
4、GM一跨導。是表示柵源申壓UGS-對漏極電流ID的控制能力,即漏極電流ID變化量與柵源電壓U證變化量的比值。GM-是衡量場效應管放大能力的重要參數。
5、BUDS-漏源擊穿電壓。是指柵源電壓UGS一定時,場效應管正常工作所能承受的最大漏近電壓。這是一項極限參數,加在場效應管上的工作電壓必須小于 BUDS。‘
6、PDSM-最大耗散功率。也是一項極限參數,是指場效應管性能不變壞時所允許的最大漏源耗散功率。使用時,場效應管實際功耗應小于PDSM并留有一定余量。.
7、IDSM一最大漏源電流。是一項極限參數,是指場效應管正常工作時,漏源間
所允許通過的最大電流。場效應管的工作電流不應超過IDSM
1、場效應管可應用于放大。由于場效應管放大器的輸入阻抗很高,因此耦合電容可以容量較小,不必使用電解電容器。
2、場效應管很高的輸入阻抗非常適合作阻抗變換。常用于多級放大器的輸入級作阻抗變換。
3、場效應管可以用作可變電阻。
4、場效應管可以方便地用作恒流源。
5、場效應管可以用作電子開關。
1、結型場效應管的管腳識別
場效應管的柵極相當于晶體管的基極,源極和漏極分別對應于晶體管的發射極和集電極。將萬用表置于R×1k檔,用兩表筆分別測量每兩個管腳間的正、反向電阻。當某兩個管腳間的正、反向電阻相等,均為數KΩ時,則這兩個管腳為漏極D和源極S(可互換),余下的一個管腳即為柵極G。對于有4個管腳的結型場效應管,另外一極是屏蔽極(使用中接地)。
2、判定柵極
用萬用表黑表筆碰觸管子的一個電極,紅表筆分別碰觸另外兩個電極。若兩次測出的阻值都很小,說明均是正向電阻,該管屬于N溝道場效應管,黑表筆接的也是柵極。
制造工藝決定了場效應管的源極和漏極是對稱的,可以互換使用,并不影響電路的正常工作,所以不必加以區分。源極與漏極間的電阻約為幾千歐。
注意不能用此法判定絕緣柵型場效應管的柵極。因為這種管子的輸入電阻極高,柵源間的極間電容又很小,測量時只要有少量的電荷,就可在極間電容上形成很高的電壓,容易將管子損壞。
3、估測場效應管的放大能力
將萬用表撥到R×100檔,紅表筆接源極S,黑表筆接漏極D,相當于給場效應管加上1.5V的電源電壓。這時表針指示出的是D-S極間電阻值。然后用手指捏柵極G,將人體的感應電壓作為輸入信號加到柵極上。由于管子的放大作用,UDS和ID都將發生變化,也相當于D-S極間電阻發生變化,可觀察到表針有較大幅度的擺動。如果手捏柵極時表針擺動很小,說明管子的放大能力較弱;若表針不動,說明管子已經損壞。
由于人體感應的50Hz交流電壓較高,而不同的場效應管用電阻檔測量時的工作點可能不同,因此用手捏柵極時表針可能向右擺動,也可能向左擺動。少數的管子RDS減小,使表針向右擺動,多數管子的RDS增大,表針向左擺動。無論表針的擺動方向如何,只要能有明顯地擺動,就說明管子具有放大能力。
本方法也適用于測MOS管。為了保護MOS場效應管,必須用手握住螺釘旋具絕緣柄,用金屬桿去碰柵極,以防止人體感應電荷直接加到柵極上,將管子損壞。
MOS管每次測量完畢,G-S結電容上會充有少量電荷,建立起電壓UGS,再接著測時表針可能不動,此時將G-S極間短路一下即可。
目前常用的結型場效應管和MOS型絕緣柵場效應管的管腳順序如下圖所示。
即金屬-氧化物-半導體型場效應管,英文縮寫為MOSFET(Metal-Oxide-SemiconductorField-Effect-Transistor),屬于絕緣柵型。其主要特點是在金屬柵極與溝道之間有一層二氧化硅絕緣層,因此具有很高的輸入電阻(最高可達1015Ω)。它也分N溝道管和P溝道管,符號如圖1所示。通常是將襯底(基板)與源極S接在一起。根據導電方式的不同,MOSFET又分增強型、耗盡型。所謂增強型是指:當VGS=0時管子是呈截止狀態,加上正確的VGS后,多數載流子被吸引到柵極,從而“增強”了該區域的載流子,形成導電溝道。耗盡型則是指,當VGS=0時即形成溝道,加上正確的VGS時,能使多數載流子流出溝道,因而“耗盡”了載流子,使管子轉向截止。
以N溝道為例,它是在P型硅襯底上制成兩個高摻雜濃度的源擴散區N+和漏擴散區N+,再分別引出源極S和漏極D。源極與襯底在內部連通,二者總保持等電位。圖1(a)符號中的前頭方向是從外向里,表示從P型材料(襯底)指身N型溝道。當漏接電源正極,源極接電源負極并使VGS=0時,溝道電流(即漏極電流)ID=0。隨著VGS逐漸升高,受柵極正電壓的吸引,在兩個擴散區之間就感應出帶負電的少數載流子,形成從漏極到源極的N型溝道,當VGS大于管子的開啟電壓VTN(一般約為+2V)時,N溝道管開始導通,形成漏極電流ID。
國產N溝道MOSFET的典型產品有3DO1、3DO2、3DO4(以上均為單柵管),4DO1(雙柵管)。它們的管腳排列(底視圖)見圖2。
MOS場效應管比較“嬌氣”。這是由于它的輸入電阻很高,而柵-源極間電容又非常小,極易受外界電磁場或靜電的感應而帶電,而少量電荷就可在極間電容上形成相當高的電壓(U=Q/C),將管子損壞。因此了廠時各管腳都絞合在一起,或裝在金屬箔內,使G極與S極呈等電位,防止積累靜電荷。管子不用時,全部引線也應短接。在測量時應格外小心,并采取相應的防靜電感措施。
(1).準備工作
測量之前,先把人體對地短路后,才能摸觸MOSFET的管腳。最好在手腕上接一條導線與大地連通,使人體與大地保持等電位。再把管腳分開,然后拆掉導線。
(2).判定電極
將萬用表撥于R×100檔,首先確定柵極。若某腳與其它腳的電阻都是無窮大,證明此腳就是柵極G。交換表筆重測量,S-D之間的電阻值應為幾百歐至幾千歐,其中阻值較小的那一次,黑表筆接的為D極,紅表筆接的是S極。日本生產的3SK系列產品,S極與管殼接通,據此很容易確定S極。
(3).檢查放大能力(跨導)
將G極懸空,黑表筆接D極,紅表筆接S極,然后用手指觸摸G極,表針應有較大的偏轉。雙柵MOS場效應管有兩個柵極G1、G2。為區分之,可用手分別觸摸G1、G2極,其中表針向左側偏轉幅度較大的為G2極。
目前有的MOSFET管在G-S極間增加了保護二極管,平時就不需要把各管腳短路了。
MOS場效應晶體管在使用時應注意分類,不能隨意互換。MOS場效應晶體管由于輸入阻抗高(包括MOS集成電路)極易被靜電擊穿,使用時應注意以下規則:
(1).MOS器件出廠時通常裝在黑色的導電泡沫塑料袋中,切勿自行隨便拿個塑料袋裝。也可用細銅線把各個引腳連接在一起,或用錫紙包裝
(2).取出的MOS器件不能在塑料板上滑動,應用金屬盤來盛放待用器件。
(3).焊接用的電烙鐵必須良好接地。
(4).在焊接前應把電路板的電源線與地線短接,再MOS器件焊接完成后在分開。
(5).MOS器件各引腳的焊接順序是漏極、源極、柵極。拆機時順序相反。
(6).電路板在裝機之前,要用接地的線夾子去碰一下機器的各接線端子,再把電路板接上去。
(7).MOS場效應晶體管的柵極在允許條件下,最好接入保護二極管。在檢修電路時應注意查證原有的保護二極管是否損壞。
VMOS場效應管(VMOSFET)簡稱VMOS管或功率場效應管,其全稱為V型槽MOS場效應管。它是繼MOSFET之后新發展起來的高效、功率開關器件。它不僅繼承了MOS場效應管輸入阻抗高(≥108W)、驅動電流小(左右0.1μA左右),還具有耐壓高(最高可耐壓1200V)、工作電流大(1.5A~100A)、輸出功率高(1~250W)、跨導的線性好、開關速度快等優良特性。正是由于它將電子管與功率晶體管之優點集于一身,因此在電壓放大器(電壓放大倍數可達數千倍)、功率放大器、開關電源和逆變器中正獲得廣泛應用。
眾所周知,傳統的MOS場效應管的柵極、源極和漏極大大致處于同一水平面的芯片上,其工作電流基本上是沿水平方向流動。VMOS管則不同,從左下圖上可以看出其兩大結構特點:第一,金屬柵極采用V型槽結構;第二,具有垂直導電性。由于漏極是從芯片的背面引出,所以ID不是沿芯片水平流動,而是自重摻雜N+區(源極S)出發,經過P溝道流入輕摻雜N-漂移區,最后垂直向下到達漏極D。電流方向如圖中箭頭所示,因為流通截面積增大,所以能通過大電流。由于在柵極與芯片之間有二氧化硅絕緣層,因此它仍屬于絕緣柵型MOS場效應管。
國內生產VMOS場效應管的主要廠家有877廠、天津半導體器件四廠、杭州電子管廠等,典型產品有VN401、VN672、VMPT2等。表1列出六種VMOS管的主要參數。其中,IRFPC50的外型如右上圖所示。
(1).判定柵極G
將萬用表撥至R×1k檔分別測量三個管腳之間的電阻。若發現某腳與其字兩腳的電阻均呈無窮大,并且交換表筆后仍為無窮大,則證明此腳為G極,因為它和另外兩個管腳是絕緣的。
(2).判定源極S、漏極D
由圖1可見,在源-漏之間有一個PN結,因此根據PN結正、反向電阻存在差異,可識別S極與D極。用交換表筆法測兩次電阻,其中電阻值較低(一般為幾千歐至十幾千歐)的一次為正向電阻,此時黑表筆的是S極,紅表筆接D極。
(3).測量漏-源通態電阻RDS(on)
將G-S極短路,選擇萬用表的R×1檔,黑表筆接S極,紅表筆接D極,阻值應為幾歐至十幾歐。
由于測試條件不同,測出的RDS(on)值比手冊中給出的典型值要高一些。例如用500型萬用表R×1檔實測一只IRFPC50型VMOS管,RDS(on)=3.2W,大于0.58W(典型值)。
(4).檢查跨導
將萬用表置于R×1k(或R×100)檔,紅表筆接S極,黑表筆接D極,手持螺絲刀去碰觸柵極,表針應有明顯偏轉,偏轉愈大,管子的跨導愈高。
注意事項:
(1)VMOS管亦分N溝道管與P溝道管,但絕大多數產品屬于N溝道管。對于P溝道管,測量時應交換表筆的位置。
(2)有少數VMOS管在G-S之間并有保護二極管,本檢測方法中的1、2項不再適用。
(3)目前市場上還有一種VMOS管功率模塊,專供交流電機調速器、逆變器使用。例如美國IR公司生產的IRFT001型模塊,內部有N溝道、P溝道管各三只,構成三相橋式結構。
(4)現在市售VNF系列(N溝道)產品,是美國Supertex公司生產的超高頻功率場效應管,其最高工作頻率fp=120MHz,IDSM=1A,PDM=30W,共源小信號低頻跨導gm=2000μS。適用于高速開關電路和廣播、通信設備中。
(5)使用VMOS管時必須加合適的散熱器后。以VNF306為例,該管子加裝140×140×4(mm)的散熱器后,最大功率才能達到30W
(1)場效應管是電壓控制元件,而晶體管是電流控制元件。在只允許從信號源取較少電流的情況下,應選用場效應管;而在信號電壓較低,又允許從信號源取較多電流的條件下,應選用晶體管。
(2)場效應管是利用多數載流子導電,所以稱之為單極型器件,而晶體管是即有多數載流子,也利用少數載流子導電。被稱之為雙極型器件。
(3)有些場效應管的源極和漏極可以互換使用,柵壓也可正可負,靈活性比晶體管好。
(4)場效應管能在很小電流和很低電壓的條件下工作,而且它的制造工藝可以很方便地把很多場效應管集成在一塊硅片上,因此場效應管在大規模集成電路中得到了廣泛的應用。
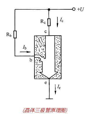
晶體三極管簡稱三極管,和場效應管一樣,具有放大作用和開關特性的,是電子設備中的核心器件之一,應用十分廣泛。三極管和場效應管雖然特性,外形相同,但是工作原理卻大不一樣,普通三極管是電流控制器件,二場效應管是電壓控制器件。
晶體三極管:
用于電壓放大或者電路放大的控制器件。可以把基極和集電極的間的電壓Vbc放大到幾十到幾百倍以上,在發射集和集電極之間以Vce的方式輸出;還可以把基極電流Ib放大β倍,然后在集電極以Ic形式輸出。
場效應管:
原件要比晶體管小得多.晶體管就是一個小硅片.但是場效應管的結構要比晶體管的要復雜.場效應管的溝道一般是幾個納米,也就是說場效應管的“硅片”的制作更加復雜而且體積要比晶體管小的多.但是話又說回來.工業制造場效應管的集成電路要比晶體管的要簡單得多.而且集成密度要比晶體管的要大得多.場效應管是電壓控制電流的晶體管是電流控制電流型的.一般不可以直接代換的.除非稍微改變一下電路結構。
必須了解晶體管的類型和材料,常用的有NPN和PNP兩種,這兩種管工作時對電壓的極性要求不同,所以是這兩種晶體管是不能互相替換的。三極管額材料有鍺材料和硅材料,它們之前最大的差異就是其實電壓不一樣。在放大電路中,假如使用同類型的鍺管代替同類型的硅管,反之替換,一般都是可以的,但都要在基極偏置電壓上進行必要的調整。因為他們的起始電壓不一樣,但是在脈沖電路和開關電路中不同材料的三極管是否能互換必須進行具體的分析,切不可盲目代換。
選取場效應管只要三步:
1.選擇須合適的勾道(N溝道還是P溝道)
2.確定場效應管的額定電流,選好額定電流以后,還需計算導通損耗。
3.確定熱要求,設計人員在設計時必須考慮到最壞和真實兩種情況。一般建議采用針對最壞的結果計算,因為這個結果提供更大的安全余量,能夠確保系統不會失效。
聯系方式:鄒先生
聯系電話:0755-83888366-8022
手機:18123972950
QQ:2880195519
聯系地址:深圳市福田區車公廟天安數碼城天吉大廈CD座5C1
請搜微信公眾號:“KIA半導體”或掃一掃下圖“關注”官方微信公眾號
請“關注”官方微信公眾號:提供 MOS管 技術幫助