?4個MOS管驅動的全橋電路原理-KIA MOS管
信息來源:本站 日期:2022-06-07
全橋電路在實際的項目中運用的也比較多(比如電機,半導體制冷片等),有時候全橋芯片會達不到我們的需求(比如功率特別大的時候),這時就需要搭建一個符合我們需求的電路。
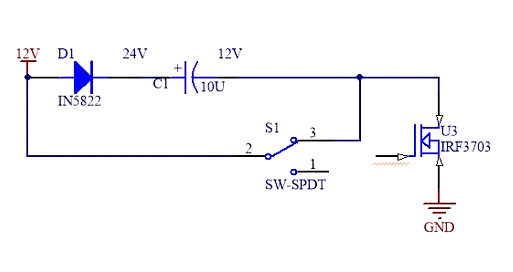
電路如下所示:由兩片IRF2104,、4片IIRF3703、兩個二極管和兩個10UF的電容組成。
C1、C2是自舉電容;
D1、D2自舉二極管;
IRF3703構成H橋的4個橋臂;
全橋電路
掌握此電路的核心就是要弄懂自舉電路是如何工作的?
下面簡單介紹一下自舉電路:
自舉電路也叫升壓電路,利用自舉升壓二極管,自舉升壓電容等電子元件,利用電容不能突變的特性使電容放電電壓和電源電壓疊加,從而使電壓升高。
如下圖所示當開關S1接3時MOS管導通此時C1負極與地相接電源通過D1、MOS管對電容進行充電當電路穩定之后電容正端電壓對地為12V,負端對地電壓為0V。
充電電路
當如下圖所示MOS管關斷時,由于電容電壓不能突變,電容和12V電源相接C1負端相對地為12V ,由于二極管反向截止,正端的對地電壓為電容充電電壓和電源電壓之和24V ,電容兩端的電壓為12V。
放電電路
了解了自舉電路之后我們再來分析這個全橋電路就簡單多了。
C1是自舉電容,它是在Q2導通(此時Q1必定截止)期間(看作C1下端接地)由12V經D1完成充電的,等到Q2截止時C1下端就與地斷開了,此時C1充有幅值等于12V的電壓,就會上舉使C1正端電位大于12V,因而使D1反偏而截止,這樣C1上的電壓充當電源就給Q1柵極提供了正向導通的偏壓,使Q1導通。
C1充電的條件就是下管Q2導通如果無此條件(例如占空比變化到Q2始終處于截止狀態)C1就自舉不了S1就無法導通,這時就要另用獨立電源來代替自舉電容。
在編程控制時特別要注意的是Q1、Q4同時,Q2、Q4同時導通且不能交叉同事導通否則會燒壞MOS管,在功率大時也要注意MOS管要加散熱片。
IRF2104的控制
由芯片手冊提供的控制圖(如下圖所示)可知:當SD=1時,即允許使能IR2104芯片時, Ho的波形與IN波形相同,Lo波形與IN波形則是反相的關系。
Ho是高電平時,Lo就是低電平,反之Ho是低電平時,Lo就是高電平;這樣使能芯片后我們控制輸入端的PWM波形的占空比就可以對負載進行相應的控制了。
聯系方式:鄒先生
聯系電話:0755-83888366-8022
手機:18123972950
QQ:2880195519
聯系地址:深圳市福田區車公廟天安數碼城天吉大廈CD座5C1
請搜微信公眾號:“KIA半導體”或掃一掃下圖“關注”官方微信公眾號
請“關注”官方微信公眾號:提供 MOS管 技術幫助
免責聲明:本網站部分文章或圖片來源其它出處,如有侵權,請聯系刪除。
