MOSFET結構與主要參數等詳解-全面的MOSFET驅動技術剖析-KIA MOS管
信息來源:本站 日期:2018-12-19
MOSFET的全稱為:metal oxide semiconductor field-effect transistor,中文通常稱之為,金屬-氧化層-半導體-場效晶體管.MOSFET最早出現在大概上世紀60年代,首先出現在模擬電路的應用。功率MOSFET在上世紀80年代開始興起,在如今電力電子功率器件中,無疑成為了最重要的主角器件。
下圖是典型平面N溝道增強型NMOSFET的剖面圖。它用一塊P型硅半導體材料作襯底,在其面上擴散了兩個N型區,再在上面覆蓋一層二氧化硅(SiO2)絕緣層,最后在N區上方用腐蝕的方法做成兩個孔,用金屬化的方法分別在絕緣層上及兩個孔內做成三個電極:G(柵極)、S(源極)及D(漏極),如圖所示。
下圖中可以看出柵極G與漏極D及源極S是絕緣的,D與S之間有兩個PN結。一般情況下,襯底與源極在內部連接在一起,這樣,相當于D與S之間有一個PN結。
下圖是常見的N溝道增強型MOSFET的基本結構圖。為了改善某些參數的特性,如提高工作電流、提高工作電壓、降低導通電阻、提高開關特性等有不同的結構及工藝,構成所謂VMOS、DMOS、TMOS等結構。
耐壓:通常所說的VDS,或者說是擊穿電壓。那么一般MOS廠家是如何來定義這個參數的呢?
上面這個例子顯示,當驅動電壓為0,Vds達到200V的時候,Id這個電流達到了250uA,這個時候認為已經達到擊穿電壓。
不同的廠家對此定義略有不同,但是基本上來說,當電壓超過擊穿電壓,MOS的漏電流就會急劇上升。
導通電阻:MOSFET在導通之后,其特性可以近似認為是一個電阻
上面這個例子表示,在驅動電壓為10V的時候,導通電阻為0.18歐姆。
導通電阻的溫度關系:MOS的導通電阻隨溫度上升而上升,下圖顯示該MOS的導通電阻在結溫為140度的時候,為20度時候的2倍。
導通閥值電壓:就是當驅動電壓到達該值之后,可認為MOS已經開通。
上面這個例子,可以看到當Vgs達到2-4V的時候,MOS電流就上升到250uA。這時候可認為MOS已經開始開通。
驅動電壓和導通電阻,最大導通電流之間的關系
從下圖可以看到,驅動電壓越高,實際上導通電阻越小,而且最大導通電流也越大。
導通閥值電壓隨溫度上升而下降。
MOSFET的寄生二極管
寄生二極管比較重要的特性,就是反向恢復特性。這個在ZVS,同步整流等應用中顯得尤為重要。
MOSFET的寄生電容

這三個電容的定義如下:
MOS的寄生電容都是非線性電容,其容值和加在上面的電壓有關。所以一般的MOS廠家還會用另外一個參數來描述這個特性:
MOS的寄生電容都是非線性電容,其容值和加在上面的電壓有關。所以一般的MOS廠家還會用另外一個參數來描述這個特性:
![]()
MOSFET驅動技術,MOS雖然是電壓型驅動,但是由于寄生電容的存在,必須要求驅動電路提供一定的驅動電流。
較小的驅動電流,會導致MOS的GS電壓上升緩慢,降低了開關速度,提高了開關損耗。
米勒電容Cgd
米勒電容雖然看起來很小,但是對驅動的影響很大,特別在VDS比較高的場合。但是在ZVS和同步整流等應用中,由于VDS會在驅動上來之前,下降到零,就不存在這個問題。
當IC本身的驅動能力不足的時候,就需要外加驅動電路來增強驅動能力,以達到快速開關MOS的需求:
1.采用分立器件,比如圖騰柱。2.采用集成的驅動IC.
MOSFET的低端(low side)驅動:所謂低端驅動,就是驅動電路的參考地,就是MOS的S端。
低端驅動,電路往往比較簡單,除了驅動能力之外,還是需要注意一些細節。
MOSFET的高端(High Side)驅動:很多情況下,MOSFET的S極并不是IC的參考地,比如BUCK開關管,橋式電路的上管。
自舉驅動,利用自舉電路,自動抬升供電電壓。自舉的驅動芯片種類很多,但是需要注意其耐壓。
對于二極管整流的buck,自舉驅動需要注意的問題。
利用變壓器隔離驅動:對于浮地的MOS,或者和IC隔離的MOS,通常可以采用變壓器隔離驅動。
變壓器隔離驅動的關鍵:變壓器隔離驅動關鍵考慮的問題,就是變壓器的復位,比較常用是利用隔直電容來復位,但是需要注意的是,采用隔直電容之后,有可能變壓器傳遞的電壓幅度和占空比有關。需要考慮變壓器的變比。
對于跨初次級的驅動變壓器,還需要考慮其耐壓的問題。利用簡單倍壓電路來抬升驅動電壓。
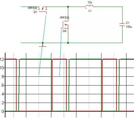
下圖的驅動電路,可以傳遞大占空比的驅動信號,而且可以讓驅動電壓不下降。
隔直電容帶來的問題:由于隔直電容會儲存能量,所以在驅動消失之后,隔直電容會和變壓器產生諧振,導致驅動電路傳遞錯誤的驅動信號。
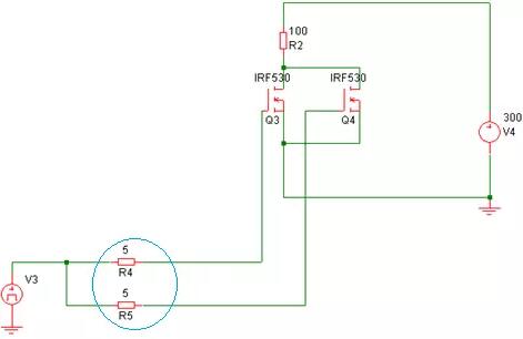
為了降低這個問題的影響。可以利用這些電阻來阻尼這個震蕩。
對具有隔直電容的驅動電路,有些IC會植入soft stop的功能:在關機時候,讓驅動的占空比逐漸降低到0.
為了避免這個隔直電容帶來的問題,可以采用無電容的變壓器驅動電路。
如果用IC直接驅動變壓器,那么需要注意:
同步整流驅動,需要注意邏輯的問題
同步整流2個管子的驅動關系為互補,但是當主管長時間關斷的時候,整流管就會出現長時間導通的情況。
所以在關機的時候,不能簡單的把主管驅動信號置低,而要同時把整流管的驅動信號也置低。
MOS的并聯驅動,并聯驅動要盡量保證每個管子的驅動線對稱。
聯系方式:鄒先生
聯系電話:0755-83888366-8022
手機:18123972950
QQ:2880195519
聯系地址:深圳市福田區車公廟天安數碼城天吉大廈CD座5C1
請搜微信公眾號:“KIA半導體”或掃一掃下圖“關注”官方微信公眾號
請“關注”官方微信公眾號:提供 MOS管 技術幫助